今日は同期の女性2人と一緒に帰宅。
今日の19時~に不在通知の届いていた郵便物の受け取りを指定していたため、時間をずらすことができなかったのだ。ああ、せっかくの私の読書タイム…。
その電車内での会話の中で知ったのだが、一緒に帰った2人のうちの1人を含めた3人が、大阪勤務であるらしい。
すっげーうらやましぃ!
今日解禁になったらしく(それまでは言っちゃだめと言われていたらしい)、そして来週からはもう大阪だそうだ。
彼女(一緒に帰った人、Oさん)は実家から通うことになるらしいが、うち1人は大阪のレオパレス住まいになるとか。実家通いが必須条件ではない、と。あと、彼女以外は男性デス。
確かにあまり強くは希望を出さなかったけれど(ワガママ言っても辞めるときは辞めてしまうだろうから)、そうかー言えばなんとかなったのか?―一方で、もぉのすごく強く強く関西希望と言っていたTさん(男)は既に配属先(愛知)に出向いている。
ちなみにOさんは両親が年配らしく、一緒に暮らしたいと言っていた。
もぉのすごく強く強く関西希望と言っていたTさん(男)は、上司の人に「甘えんな」と言われたらしい。
ほか、仕入れた情報。
- 来週から大阪と言えど、配属先が決まっているわけではない。
関西はもともと需要が小さい。→大阪本社で引き続き研修がおこなわれる。
→最悪研修期間が半年ということもある
ProEとは、多くが家電で使われるCADらしいので、そこんとこもうらやましい。※自動車関連でも使うとこは使うが、関西地区そのものが家電中心と聞いている。
ま、うらやんでもしゃーないです。決まったもんは仕方ないです。そう言うしかないです。
うじじじじ。
ただ、研修は早く終わって欲しいので、早く配属先が決まりますよう。
暇な人は18日(金)13時~、私の技術ミーティングがうまくいくよう祈っていてください。

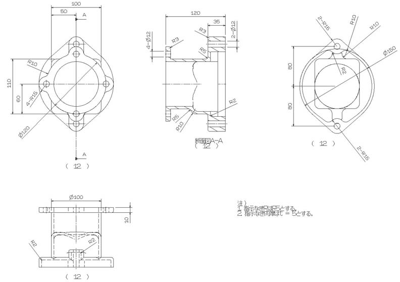
これは今日作ったもの by CATIA.
ほぼひとりでできたので感動もの。
通称"石鹸箱"

その物体を裏からキャプチャ。

その後作った謎の物体。
4月下旬に、進捗度合いのチェックテストで課されたもの。
そのときは歯が立たなかった。
そして、答えを見ながら作ってみて、その記憶があるうちにひとりで作ってみた。

問題としてこういう図面が渡される。
この図面は、上の物体を作ったあと、私が図面に起こしたもの(偉そう)。